-
Prodotti
-
-
-
Motorino di Avviamento
- Démarreurs Quad / Motoneige / Jetski
- Motorino di avviamento per auto
- Motorino di avviamento per barca / marina
- Motorino di avviamento per camion / autocarri a cassone ribaltabile
- Motorino di avviamento per Macchine agricole / lavori pubblici
- Motorino di avviamento per Moto / Quad / Motoslitta / Scooter / Jetski
-
-
-
-
-
Carburazione
- Carburatore
- Kit di guarnizioni e parti per il carburatore VARIE
- Membrana del carburatore DELLORTO
- Membrana del carburatore PIERBURG, SOLEX, ZENITH
- Membrana del carburatore WEBER
- Set di guarnizioni e parti del carburatore WEBER
- Set di guarnizioni e parti per il carburatore ZENITH / PIERBURG
- Set guarnizioni e parti del carburatore SOLEX
-
-
-
-
Tipi di veicoli
-
- Marca
- Alternatore
- Motorino di Avviamento
- A/C Attrezzature
Relè per motorino di avviamento valéo D7E39 / D7G11 / TS8E6
Relè / solenoide cargo per motorino di avviamento valéo
= riferimento:
= Zm ZM 2-498 / ZM 498
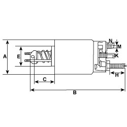
Specifiche tecniche
Caratteristiche :
Voltaggio 12
A = DE mm 54.00
B = Lunghezza totale mm 59.00
G = B+ M8
H = Lunghezza/B+ 14.50
K = Kl. 50/mm M5
L = Larghezza/kl. 50 10.00
N° terminali 3



16 altri prodotti della stessa categoria:
Solenoide per motorino di avviamento Valéo 438167 / 458182 / D7GS17
contatto mobile per solenoide valéo ced517 / ced518 / CED521 / ced528 / ced533 / ced540
Relè per motorino di avviamento D6RA18 /D6RA19 / d6ra22 / D6RA23
Relè per motorino di avviamento valéo D6RA133 / D6RA21 / D6RA56 / D6RA6 / D6RA61
Relè per motorino di avviamento d11e58 / d11e69 / d11e75 / d11e78 / d11e84
Solenoide per motorini di avviamento valéo TS22ER12 / TS22ER13 / TS24E13
Solenoide per motorini di avviamento valéo D7RS150 / d7rs50
Solenoide per motorino di avviamento Valéo 455688 / 455702 / D13HP605 / D13HP607
Relè per motorino di avviamento Valéo D6RA721 / D6RA74 / D8R27 / D8R29
Solenoide per motorini di avviamento valéo mg122433 / TM000A18601 / TM000A23601
Solenoide / Solenoide per motorino di avviamento valéo d9e137 / d9e138 / d9e237 / d9e238
Relè / Solenoide per motorini di avviamento D6RA181 / D6RA59 / D6RA81
Solenoide per motorini di avviamento valéo M000A0301
Relè per motorino di avviamento d9r121 / d9r122 / D9R126 / D9R73 / D9R84
Relè per motorino di avviamento d10e66 / d10e72 / d10e74
Avete domande?

Wagendass si impegna a garantire la durata del vostro veicolo.
Pezzi nuovi, nessun deposito, 2 anni di garanzia

Garanzie sui ricambi con Wagendass
- Pezzi nuovi
- Nessun deposito
- Garanzia di 2 anni per tutti i tipi di veicoli
Come posso trovare il mio pezzo di ricambio sul sito web di Wagendass?
Il riferimento del vostro pezzo difettoso è essenziale per determinare il giusto pezzo di ricambio. Ogni marchio ha una propria nomenclatura per l'autenticazione dei pezzi di ricambio.
Il numero di parte può essere numerico o alfanumerico e si trova sul pezzo.
Una volta trovato il numero di parte, inserirlo nella barra di ricerca nella parte superiore del nostro sito, al centro.
Il risultato sarà il pezzo di ricambio corrispondente al vostro numero di parte.

Originali e adattabili
Nessun ritorno del vecchio
Amex, CB, Visa, MasterCard in 3D Secure e PayPal
Francia e internazionale