-
Prodotti
-
-
-
Motorino di Avviamento
- Démarreurs Quad / Motoneige / Jetski
- Motorino di avviamento per auto
- Motorino di avviamento per barca / marina
- Motorino di avviamento per camion / autocarri a cassone ribaltabile
- Motorino di avviamento per Macchine agricole / lavori pubblici
- Motorino di avviamento per Moto / Quad / Motoslitta / Scooter / Jetski
-
-
-
-
-
Carburazione
- Carburatore
- Kit di guarnizioni e parti per il carburatore VARIE
- Membrana del carburatore DELLORTO
- Membrana del carburatore PIERBURG, SOLEX, ZENITH
- Membrana del carburatore WEBER
- Set di guarnizioni e parti del carburatore WEBER
- Set di guarnizioni e parti per il carburatore ZENITH / PIERBURG
- Set guarnizioni e parti del carburatore SOLEX
-
-
-
-
Tipi di veicoli
-
- Marca
- Alternatore
- Motorino di Avviamento
- A/C Attrezzature
Relè / Solenoide per motorini di avviamento D6RA26 / D6RA30 / D6RA47
Relè / solenoide valéo per motorino di avviamento valéo
= valéo 594138
per motorino di avviamento valéo :
D6RA26
D6RA30
D6RA47
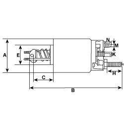
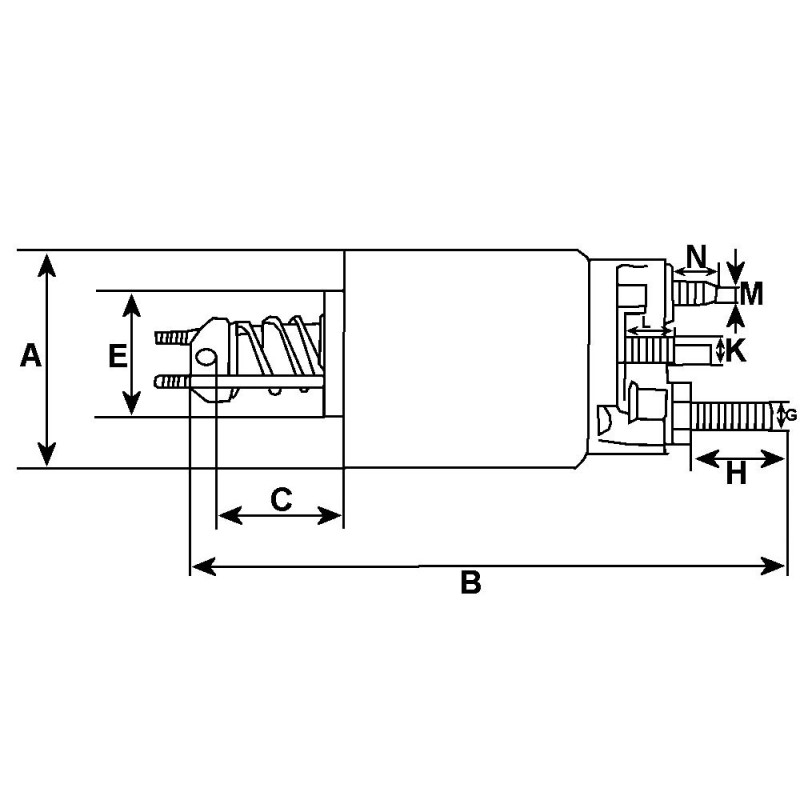
Specifiche tecniche
Caratteristiche :
Voltaggio 12
A = DE 54.00
B = Lunghezza totale 80.40
Bullone bobina M8
D = DE/coperchio 49.55
E = DI/coperchio 25.35
B+ M8
H = Lunghezza/B+ 15.15
K = Kl. 50/mm 6.3
Bullone bobina l. 9.40
L = Larghezza/kl. 50 13.30
No.bornes 3
16 altri prodotti della stessa categoria:
Solenoide per motorini di avviamento VALEO ESW20ER20 / ESW20ER25
Solenoide per motorino di avviamento valéo d9e278 / d9e46 / d9e68
Solenoide per motorini di avviamento valéo TS22ER12 / TS22ER13 / TS24E13
Kit di riparazione per motorino di avviamento valéo D6RA101 / D6RA104 / d6ra110
contatto mobile per motorino di avviamento Femsa MOB12-1 / MOB12-2 / mok12-1 / mts12-48
Relè per motorino di avviamento valéo D10E88 / D10E881 / D10E882
Solenoide per motorini di avviamento valéo D6RA101 / D6RA104 / d6ra110
Relè per motorino di avviamento D9E101 / d9e36 / D9E38 / d9e54
Solenoide / Solenoide per motorino di avviamento d10e85 / d10e92 / d10e921
Solenoide / Solenoide per motorino di avviamento valéo d9e137 / d9e138 / d9e237 / d9e238
Solenoide VALEO per motorino di avviamento D9E108 / D9E127 / D9E137 / D9E138
Relè per motorino di avviamento Valéo D6RA721 / D6RA74 / D8R27 / D8R29
Solenoide per motorino di avviamento Paris-rhone D11L24 / D11L36 / D11L39
Relè per motorino di avviamento valéo d10e88 / d10e881 / d10e882
Solenoide 12 volts 77281 / CED418 per motorino di avviamento Valéo / Paris-rhone
Avete domande?
Wagendass si impegna a garantire la durata del vostro veicolo.
Pezzi nuovi, nessun deposito, 2 anni di garanzia
Garanzie sui ricambi con Wagendass
- Pezzi nuovi
- Nessun deposito
- Garanzia di 2 anni per tutti i tipi di veicoli
Come posso trovare il mio pezzo di ricambio sul sito web di Wagendass?
Il riferimento del vostro pezzo difettoso è essenziale per determinare il giusto pezzo di ricambio. Ogni marchio ha una propria nomenclatura per l'autenticazione dei pezzi di ricambio.
Il numero di parte può essere numerico o alfanumerico e si trova sul pezzo.
Una volta trovato il numero di parte, inserirlo nella barra di ricerca nella parte superiore del nostro sito, al centro.
Il risultato sarà il pezzo di ricambio corrispondente al vostro numero di parte.
Originali e adattabili
Nessun ritorno del vecchio
Amex, CB, Visa, MasterCard in 3D Secure e PayPal
Francia e internazionale