-
Prodotti
-
-
-
Motorino di Avviamento
- Motorino di avviamento per auto
- Motorino di avviamento per barca / marina
- Motorino di avviamento per camion / autocarri a cassone ribaltabile
- Motorino di avviamento per Macchine agricole / lavori pubblici
- Motorino di avviamento per Moto / Quad / Motoslitta / Scooter / Jetski
- Motorino di Avviamento per Quad / Motoslitta / Jetski
-
-
-
-
-
Carburazione
- Carburatore
- Kit di guarnizioni e parti per il carburatore VARIE
- Membrana del carburatore DELLORTO
- Membrana del carburatore PIERBURG, SOLEX, ZENITH
- Membrana del carburatore WEBER
- Set di guarnizioni e parti del carburatore WEBER
- Set di guarnizioni e parti per il carburatore ZENITH / PIERBURG
- Set guarnizioni e parti del carburatore SOLEX
-
-
-
-
Tipi di veicoli
-
- Marca
- Alternatore
- Motorino di Avviamento
- A/C Attrezzature
Relè per motorino di avviamento 0001218172 / 0001223016 / 0001223021
Relè / solenoide Bosch per motorino di avviamento Bosch :
0001218172 / 0001218772 / 0001223002 / 0001223016 / 0001223021
= riferimento 9330331510 / 9330331010
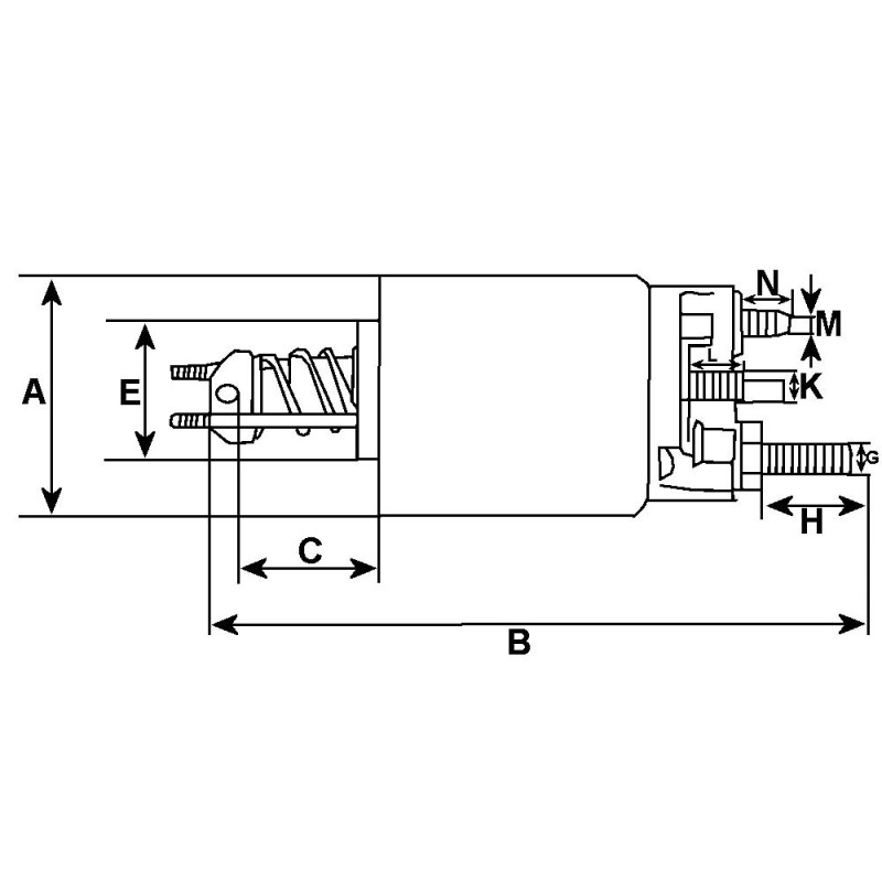
Specifiche tecniche
Informazioni fisiche |
||
|---|---|---|
| A | DE mm | 56.35 |
| B | Lunghezza totale mm | 142.00 |
| Source | Bosch | |
Support |
||
|---|---|---|
| M | Bullone bobina | M8 |
| D | DE/coperchio mm | 49.20 |
| E | DI/coperchio mm | 27.10 |
| G | B+ | M8 |
| H | Lunghezza/B+ | 20.20 |
| N | Bullone bobina l. | 12.00 |
| N° terminali | 3 | |
spécifications électriques |
||
|---|---|---|
| Voltaggio | 12 | |
16 altri prodotti della stessa categoria:
Relè per motorino di avviamento 0001107030 / 0001107075
Relè per motorino di avviamento 0001356003 / 0001359001 / 0001359002
Relè per motorino di avviamento Bosch 0001413001 / 0001413003 / 0001413006
Relè per motorino di avviamento Bosch 0001157012 / 0001157013 / 0001157015 / 0001157016
Contatto solenoide per motorino di avviamento Bosch 0001107037 / 0001108415
Relè / solénoïde per motorino di avviamento Per motorino di avviamento BOSCH 0001123028 / 0001123029 / 0001123036 / 0001123037
Relè per motorino di avviamento Bosch 0001107421 / 0001107422 / 0001107509
Relè per motorino di avviamento Bosch 0001208006 / 0001208014 / 0001211002
Solenoide per motorino di avviamento Bosch 0001108011 / 0001108024 / 0001108031 / 0001108050
Relè per motorino di avviamento Bosch 0001138019 / 0001139018 / 0001174605
Relè per motorino di avviamento 0001362091 / 0001369024 / B001812372
Relè / solénoïde per motorino di avviamento BOSCH 0001137001 / 0001137002 / 0001137003 / 0001137004 /
Relè per motorino di avviamento Bosch 0001110071 / 0001110072 / 0001218171
Relè per motorino di avviamento Bosch 0001112007 / 0001112032 / 9000333114
Solenoide per motorino di avviamento Bosch 0001110022 / 0001110023 / 0001110045
Avete domande?
Wagendass si impegna a garantire la durata del vostro veicolo.
Pezzi nuovi, nessun deposito, 2 anni di garanzia
Garanzie sui ricambi con Wagendass
- Pezzi nuovi
- Nessun deposito
- Garanzia di 2 anni per tutti i tipi di veicoli
Come posso trovare il mio pezzo di ricambio sul sito web di Wagendass?
Il riferimento del vostro pezzo difettoso è essenziale per determinare il giusto pezzo di ricambio. Ogni marchio ha una propria nomenclatura per l'autenticazione dei pezzi di ricambio.
Il numero di parte può essere numerico o alfanumerico e si trova sul pezzo.
Una volta trovato il numero di parte, inserirlo nella barra di ricerca nella parte superiore del nostro sito, al centro.
Il risultato sarà il pezzo di ricambio corrispondente al vostro numero di parte.
Originali e adattabili
Nessun ritorno del vecchio
Amex, CB, Visa, MasterCard in 3D Secure e PayPal
Francia e internazionale