Agamento in 4 rate gratuito per acquisti da 30 a 2.000 euro
Rif
Parole chiave
Cerca...
-
Prodotti
-
-
-
Motorino di Avviamento
- Démarreurs Quad / Motoneige / Jetski
- Motorino di avviamento per auto
- Motorino di avviamento per barca / marina
- Motorino di avviamento per camion / autocarri a cassone ribaltabile
- Motorino di avviamento per Macchine agricole / lavori pubblici
- Motorino di avviamento per Moto / Quad / Motoslitta / Scooter / Jetski
-
-
-
-
-
Carburazione
- Carburatore
- Kit di guarnizioni e parti per il carburatore VARIE
- Membrana del carburatore DELLORTO
- Membrana del carburatore PIERBURG, SOLEX, ZENITH
- Membrana del carburatore WEBER
- Set di guarnizioni e parti del carburatore WEBER
- Set di guarnizioni e parti per il carburatore ZENITH / PIERBURG
- Set guarnizioni e parti del carburatore SOLEX
-
-
-
-
Tipi di veicoli
-
- Marca
- Alternatore
- Motorino di Avviamento
- A/C Attrezzature
Solenoide / solenoide per motorino di avviamento Bosch 0001230003 / 0001230005
w333744
Solenoide / solenoide per motorino di avviamento Bosch 0001230003 / 0001230005
= riferimento : 2339402131
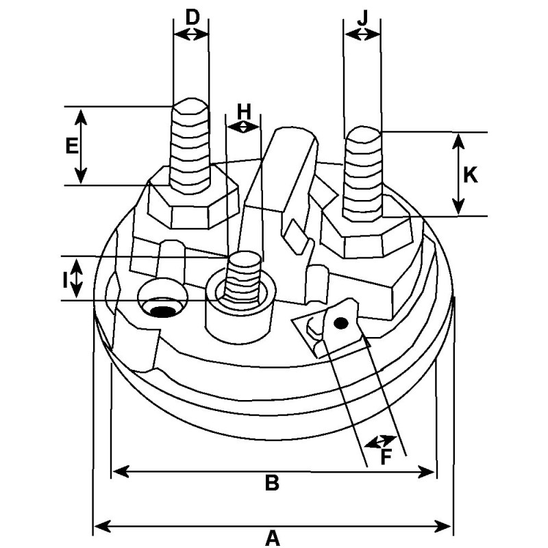
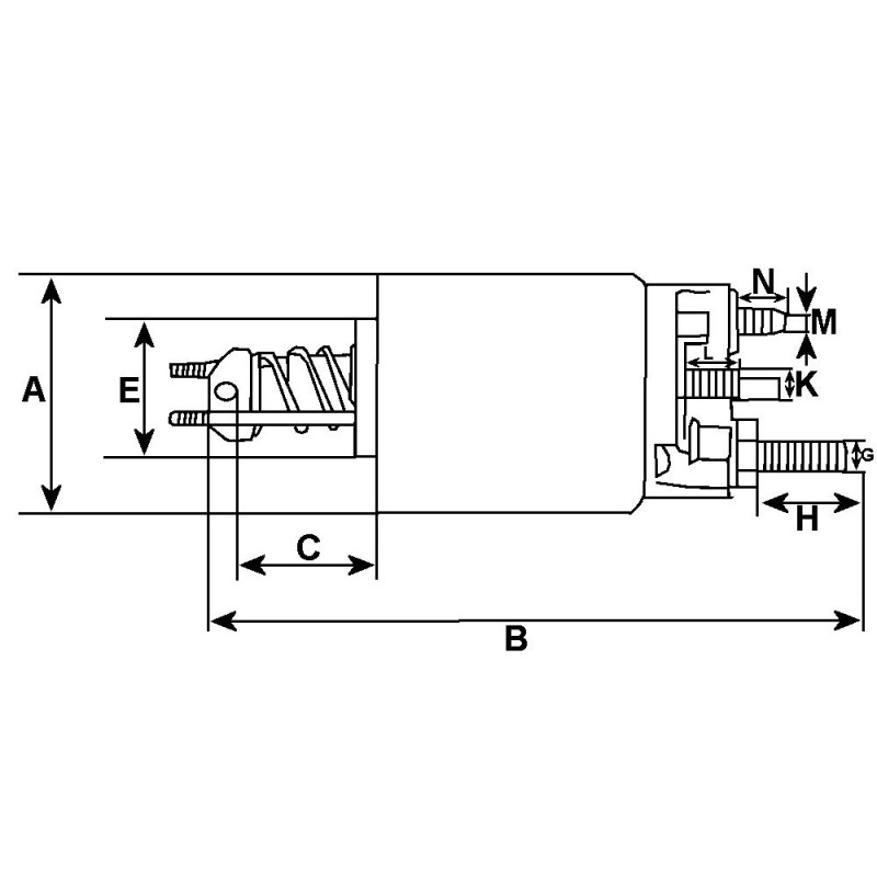
Specifiche tecniche
Informazioni fisiche | ||
|---|---|---|
| A | DE mm | 61.35 |
| B | Lunghezza totale mm | 174.50 |
Support | ||
|---|---|---|
| M | Bullone bobina | M10 |
| D | DE/coperchio mm | 53.85 |
| G | B+ | M10 |
| H | Lunghezza/B+ | 19.90 |
| K | Kl. 50/mm | M5 |
| N | Bullone bobina l. | 10.00 |
| N° terminali | 3 | |
Specifiche elettriche | ||
|---|---|---|
| Voltaggio | 12 | |
Precedente
keyboard_arrow_left
Successivo
keyboard_arrow_right
I clienti che hanno acquistato questo prodotto hanno comprato anche:
Precedente
Successivo
Relè / Solenoidi per motorino di avviamento BOSCH
29,90 €
(1 rating)
Pignone per motorini di avviamento BOSCH
Pignone per motorino di avviamento Bosch 0001108183 / 0001108217 / 0001108218 / 0001109036,
18,90 €
16 altri prodotti della stessa categoria:
Precedente
Successivo
Relè / Solenoidi per motorino di avviamento BOSCH
Relè per motorino di avviamento Bosch 0001107011 / 0001107039
26,90 €
Relè / Solenoidi per motorino di avviamento BOSCH
Relè per motorino di avviamento Bosch 0001108098 / 0001110039 / 0001110053
38,90 €
Relè / Solenoidi per motorino di avviamento BOSCH
Relè per motorino di avviamento Bosch 0001107427 / 0001107428 / 0001120406
34,90 €
Relè / Solenoidi per motorino di avviamento BOSCH
Relè per motorino di avviamento Bosch 0001410015 / 0001410016 / 0001410017
24,90 €
Relè / Solenoidi per motorino di avviamento BOSCH
Solenoide per motorini di avviamento Bosch 0001369023 / 0001369101 / 0001369201
34,90 €
(1 rating)
Relè / Solenoidi per motorino di avviamento BOSCH
Relè per motorino di avviamento Bosch 0001413001 / 0001413003 / 0001413006
58,90 €
Solenoide / Relè
Solenoide per motorino di avviamento Bosch 0001107064
26,90 €
Relè / Solenoidi per motorino di avviamento BOSCH
Solenoide Tipo 0331304053 / 0331304001 per motorino di avviamento BOSCH
29,90 €
Relè / Solenoidi per motorino di avviamento BOSCH
Solenoide BOSCH 2339303220 / 0331303642 / 0331303142 per motorino di avviamento
39,90 €
Relè / Solenoidi per motorino di avviamento BOSCH
Relè / solénoïde per motorino di avviamento BOSCH 0001305012 / 0001305013 / 0001305016 / 0001305018
53,90 €
(2 ratings)
Relè / Solenoidi per motorino di avviamento BOSCH
Relè per motorino di avviamento Bosch 0001108078 / 0001108079 / 0333006004
25,90 €
Relè / Solenoidi per motorino di avviamento BOSCH
Relè Auxiliaire per motorino di avviamento 0001231036 / 0001231040 / 0001241015 / 0001241020
58,90 €
Relè / Solenoidi per motorino di avviamento BOSCH
Relè per motorino di avviamento BOSCH 0001106405 / 0001106406
28,90 €
Relè / Solenoidi per motorino di avviamento BOSCH
Relè per motorino di avviamento Bosch 0001208049 / 0001208055 / 0001208206
28,90 €
(1 rating)
Relè / Solenoidi per motorino di avviamento BOSCH
Solenoide per motorino di avviamento Bosch 0001510001 / 0001510002 / 0001510003
59,90 €
Relè / Solenoidi per motorino di avviamento BOSCH
Relè ausiliario per motorino di avviamento Bosch 0001231033 / 0001263016
29,90 €
Avete domande?
Wagendass si impegna a garantire la durata del vostro veicolo.
Pezzi nuovi, nessun deposito, 2 anni di garanzia
Garanzie sui ricambi con Wagendass
- Pezzi nuovi
- Nessun deposito
- Garanzia di 2 anni per tutti i tipi di veicoli
Come posso trovare il mio pezzo di ricambio sul sito web di Wagendass?
Il riferimento del vostro pezzo difettoso è essenziale per determinare il giusto pezzo di ricambio. Ogni marchio ha una propria nomenclatura per l'autenticazione dei pezzi di ricambio.
Il numero di parte può essere numerico o alfanumerico e si trova sul pezzo.
Una volta trovato il numero di parte, inserirlo nella barra di ricerca nella parte superiore del nostro sito, al centro.
Il risultato sarà il pezzo di ricambio corrispondente al vostro numero di parte.
Parti nuove
Originali e adattabili
Nessuna istruzione
Nessun ritorno del vecchio
Pagamenti sicuri
Amex, CB, Visa, MasterCard in 3D Secure e PayPal
Consegna veloce
Francia e internazionale