-
Prodotti
-
-
-
Motorino di Avviamento
- Démarreurs Quad / Motoneige / Jetski
- Motorino di avviamento per auto
- Motorino di avviamento per barca / marina
- Motorino di avviamento per camion / autocarri a cassone ribaltabile
- Motorino di avviamento per Macchine agricole / lavori pubblici
- Motorino di avviamento per Moto / Quad / Motoslitta / Scooter / Jetski
-
-
-
-
-
Carburazione
- Carburatore
- Kit di guarnizioni e parti per il carburatore VARIE
- Membrana del carburatore DELLORTO
- Membrana del carburatore PIERBURG, SOLEX, ZENITH
- Membrana del carburatore WEBER
- Set di guarnizioni e parti del carburatore WEBER
- Set di guarnizioni e parti per il carburatore ZENITH / PIERBURG
- Set guarnizioni e parti del carburatore SOLEX
-
-
-
-
Tipi di veicoli
-
- Marca
- Alternatore
- Motorino di Avviamento
- A/C Attrezzature
Relè per motorino di avviamento Denso 128000-4230
Solenoide cargo per motorino di avviamento Denso
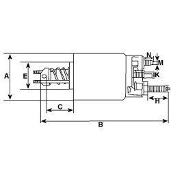
Specifiche tecniche
Caratteristiche :
Voltaggio 12
A = DE 50.70
B = Lunghezza totale 113.34
M = Bullone bobina 7.68
D = DE/coperchio 50.30
B+ M8
H = Lunghezza/B+ 60.00
L = Kl. 15a/mm M8
K = Kl. 50/mm M6
Bullone bobina l. 11.15
J = Larghezza/kl. 15a 30.00
L = Larghezza/kl. 50 43.00
N° terminali 3



16 altri prodotti della stessa categoria:
Relè / solenoide per démarreur Denso 228000-7860 / 228000-7471
Solenoide per motorino di avviamento Denso 028000-1850 / 028000-1973 / 028000-2000
Solenoide per motorino di avviamento Denso 028000-2450 / 028000-5200 / 028000-5201
Relè per motorino di avviamento Denso 028000-1730 / 028000-1740 / 028000-2000 / 028000-3360
Jeu de contatto per motorino di avviamento Denso 128000-7010 / 128000-7390 /128000-7500
Coperchio solenoide per motorino di avviamento Denso 028000-5200 / 028000-5201 / 028000-5210
Solenoide per motorino di avviamento Denso 228000-6680 / 228000-9580 / 428000-0321
Solenoide per motorino di avviamento Denso 428000-1620
Solenoide per motorino di avviamento Denso 428000-3180, 428000-4920, 428000-6190
Nucleo mobile per motorino di avviamento Denso 128000-6810 / 128000-6811 / 128000-6812
Solenoide per motorino di avviamento Denso 428000-1640 / Magneti marelli 63280091
Solenoide per motorino di avviamento DENSO 428000-5510 / Mercedez-Benz A006-151-45-01
Solenoide per motorino di avviamento Denso 428000-0660 / Marelli 63293537
Solenoide per motorino di avviamento Denso 028000-8410 / 028000-8411 / 128000-2240
Solenoide per motorino di avviamento Denso 228000-9900 / 228000-9901 / 228000-9902
Avete domande?

Wagendass si impegna a garantire la durata del vostro veicolo.
Pezzi nuovi, nessun deposito, 2 anni di garanzia

Garanzie sui ricambi con Wagendass
- Pezzi nuovi
- Nessun deposito
- Garanzia di 2 anni per tutti i tipi di veicoli
Come posso trovare il mio pezzo di ricambio sul sito web di Wagendass?
Il riferimento del vostro pezzo difettoso è essenziale per determinare il giusto pezzo di ricambio. Ogni marchio ha una propria nomenclatura per l'autenticazione dei pezzi di ricambio.
Il numero di parte può essere numerico o alfanumerico e si trova sul pezzo.
Una volta trovato il numero di parte, inserirlo nella barra di ricerca nella parte superiore del nostro sito, al centro.
Il risultato sarà il pezzo di ricambio corrispondente al vostro numero di parte.

Originali e adattabili
Nessun ritorno del vecchio
Amex, CB, Visa, MasterCard in 3D Secure e PayPal
Francia e internazionale