Payez en 4X sans frais pour les achats de 30€ à 2 000€.
Ref
Palabras clave
Para investigar...
-
Productos
-
-
-
Motores de arranque
- Motores de arranque de barco/marina
- Motores de arranque de coche
- Motores de arranque para camiones / volquetes / vehículos pesados
- Motores de arranque para motocicleta/scooter
- Motores de arranque para quads, motos de nieve y motos acuáticas
- Motores de arranque para tractores / maquinaria agrícola / equipos de construcción
-
-
-
-
-
Carburación
- Carburador
- Kit de juntas y piezas para carburador SOLEX
- Kit de juntas y piezas para carburador WEBER
- Kit de juntas y piezas para carburadores ZENITH / PIERBURG
- Kit de juntas y piezas para varios carburadores
- Membrana del carburador DELLORTO
- Membrana del carburador PIERBURG / SOLEX / ZENITH
- Membrana del carburador WEBER
-
-
-
-
Tipos de vehículos
-
- Marcas
- Alternadores
- Motores de arranque
- Climatizacion
Solenoide para motor de arranque 0001231033 / 0001231133
w238847
Relé / solenoide BOSCH para motor de arranque
= referencia 2339402187
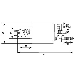
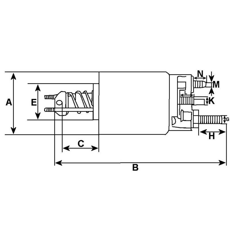
Características
Especificaciones físicas | ||
|---|---|---|
| A | DE mm | 61.55 |
| B | Longitud total mm | 172.30 |
| Fuente | Bosch | |
Support | ||
|---|---|---|
| M | Perno de bobina | M10 |
| D | DE/capó mm | 59.19 |
| F | Mesobree interrupteur | 2.74 |
| G | B+ | M10 |
| H | Altura/B+ | 19.45 |
| K | Kl. 50/mm | M6 |
| N | Perno de bobina l. | 8.78 |
| No. terminals | 3 | |
Especificaciones eléctricas | ||
|---|---|---|
| Voltaje | 24 | |
Anterior
keyboard_arrow_left
Siguiente
keyboard_arrow_right
16 otros productos en la misma categoría:
Anterior
Siguiente
Solenoides para motores de arranque BOSCH
26,90 €
Solenoides para motores de arranque BOSCH
Relé auxiliar para motor de arranque Bosch 0001371010 / 0001371013 / 0001371015
49,90 €
Solenoides para motores de arranque BOSCH
Solenoide para motor de arranque Bosch 0001371005 / 0001371007
179,90 €
Solenoides para motores de arranque BOSCH
Solenoide para motor de arranque Bosch 0001208403 / 0001311050 / 0001311051
24,90 €
Solenoides para motores de arranque BOSCH
Solenoide para motor de arranque Bosch 0001400016 / 0001401011 / 0001401012
34,90 €
Solenoides para motores de arranque BOSCH
Solénoide para motor de arranque Bosch 0001106017 / 0001106012
39,90 €
Solenoides para motores de arranque BOSCH
Solenoide para motor de arranque Bosch 0001413004 / 0001413005 / 0001418009
49,90 €
Solenoides para motores de arranque BOSCH
Solenoide para motor de arranque Bosch 0001312108 / 0001312109 / 0001317005
24,90 €
Solenoides para motores de arranque BOSCH
Solenoide para motor de arranque 0001362005 / 0001362006 / 0001362044
29,90 €
Solenoides para motores de arranque BOSCH
Solenoide para motor de arranque Bosch 0001157001 / 0001157002 / 0001157003
24,90 €
Solenoides para motores de arranque BOSCH
Solenoide para motor de arranque 0001241006 / 0001241015 / 0001241020
36,90 €
Solenoides para motores de arranque BOSCH
Solenoide para motor de arranque 0001219007 / 0001219010 / 0001219013
26,90 €
Solenoides para motores de arranque BOSCH
Solenoide para motor de arranque Bosch 0001111001 / 0001111005 / 0001219001
28,90 €
Solenoides para motores de arranque BOSCH
Solenoide para motor de arranque 0001223003 / 0001223007 / 0001223024
24,90 €
Solenoides de arranque
Capot de solenoide para motor de arranque Bosch 0001157008 / 0001231007 / 0001231009
8,90 €
Solenoides para motores de arranque BOSCH
Solenoide para motor de arranque 0001107423 / 0001107424 / 0001107527
39,90 €
¿Tiene alguna pregunta?
Wagendass está comprometido con la durabilidad de tu vehículo
Pièces neuves et sans consigne, garantie 2 ans
Garantías de repuestos con Wagendass
- Piezas nuevas
- Sin instrucciones
- Garantía de 2 años para todo tipo de vehículos
¿Cómo encontrar su pieza de repuesto en el sitio web de Wagendass?
El número de referencia de su pieza defectuosa es esencial para determinar la pieza de repuesto correcta. De hecho, cada marca tiene su propia nomenclatura para autentificar sus repuestos.
La referencia puede ser numérica o alfanumérica y deberá ser encontrada por tu parte.
Una vez que haya encontrado la referencia, ingrésela en la barra de búsqueda ubicada en la parte superior de nuestro sitio, en el centro.
El resultado propuesto será la pieza de recambio adaptada a su referencia.
Piezas nuevas
Orígenes y adaptables
Sin depósito
Ni devolución del antiguo
Pagos seguros
Amex,CB,Visa,MasterCard en 3D Secure y PayPal
Entrega rápida
Francia e internacional