-
Productos
-
-
-
Motores de arranque
- Motores de arranque de barco/marina
- Motores de arranque de coche
- Motores de arranque para camiones / volquetes / vehículos pesados
- Motores de arranque para motocicleta/scooter
- Motores de arranque para quads, motos de nieve y motos acuáticas
- Motores de arranque para tractores / maquinaria agrícola / equipos de construcción
-
-
-
-
-
Carburación
- Carburador
- Kit de juntas y piezas para carburador SOLEX
- Kit de juntas y piezas para carburador WEBER
- Kit de juntas y piezas para carburadores ZENITH / PIERBURG
- Kit de juntas y piezas para varios carburadores
- Membrana del carburador DELLORTO
- Membrana del carburador PIERBURG / SOLEX / ZENITH
- Membrana del carburador WEBER
-
-
-
-
Tipos de vehículos
-
- Marcas
- Alternadores
- Motores de arranque
- Climatizacion
Solenoide para motor de arranque Hitachi S114-808B / S114-869 / S114-925
Solenoide para motor de arranque Hitachi / Isuzu
S114-385 / S114-808 / S114-808A / S114-808B / S114-869
Isuzu :
8971502040 / 8971502041 / 8971502042
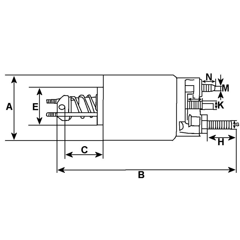
Características
Caractéristique :
Voltaje 12
A = DE mm 52.00
B = Longitud total mm 106.80
M = Perno de bobina M8
D = DE/capó mm 43.90
E = DI capó mm 22.45
G = B+ M8
H = Altura/B+ 12.85
K = Kl. 50/mm 9.40
N = Perno de bobina l. 11.80
L = Ancho/kl. 50 14.55
No. terminals 3
marca genérica
= Hitachi 2114-27613
= ZM ZM-411
Los clientes que adquirieron este producto también compraron:
Solenoide para motor de arranque Hitachi S114-357 / S114-357A / S114-357B / S114-357C
16 otros productos en la misma categoría:
Solenoide para motor de arranque sustituye Subaru 49210-5401
Solenoide para motor de arranque Hitachi s114-503a / S114-516 / S114-516A
Solenoide para motor de arranque Hitachi S114-461 / S114-461A / S114-461B
Solenoide para motor de arranque Hitachi S25-163A / S25-163B / S25-163C / S25-163E
Solenoide para motor de arranque Hitachi S114-430A / S114-430B / S114- 430C / S114-439
Solénoïde para motor de arranque Hitachi S114-357C / S13-105 / S13-105A / S13-129
Solenoide para motor de arranque Hitachi s13-250 / S13-550
Solenoide para motor de arranque Hitachi s13-115 / S13-115A / S13-120A
Contacto mobile para motor de arranque Hitachi S114-156A / S114-173 / S114-173B / S114-203
Solenoide para motor de arranque Hitachi S114-230A / s114-252 / s114-252e
Relé / Solenoide para motor de arranque Hitachi S114-131 / S114-152 / S114-155
Solenoide para motor de arranque Hitachi S13-302 / S13-302A / S13-302B
Solenoide para motor de arranque S114-230 / S114-197 / S114-218 / S114-298 / S114-370
Solenoide para motor de arranque Hitachi S13-559 / S13-559A / S13-559B
Solenoide para motor de arranque Hitachi S114-905 / S114-906 / s114-938
Solenoide para motor de arranque Hitachi S24-01B / S24-01C / S24-01D
¿Tiene alguna pregunta?
Wagendass está comprometido con la durabilidad de tu vehículo
Pièces neuves et sans consigne, garantie 2 ans
Garantías de repuestos con Wagendass
- Piezas nuevas
- Sin instrucciones
- Garantía de 2 años para todo tipo de vehículos
¿Cómo encontrar su pieza de repuesto en el sitio web de Wagendass?
El número de referencia de su pieza defectuosa es esencial para determinar la pieza de repuesto correcta. De hecho, cada marca tiene su propia nomenclatura para autentificar sus repuestos.
La referencia puede ser numérica o alfanumérica y deberá ser encontrada por tu parte.
Una vez que haya encontrado la referencia, ingrésela en la barra de búsqueda ubicada en la parte superior de nuestro sitio, en el centro.
El resultado propuesto será la pieza de recambio adaptada a su referencia.
Orígenes y adaptables
Ni devolución del antiguo
Amex,CB,Visa,MasterCard en 3D Secure y PayPal
Francia e internacional