Payez en 4X sans frais pour les achats de 30€ à 2 000€.
Ref
Palabras clave
Para investigar...
-
Productos
-
-
-
Motores de arranque
- Motores de arranque de barco/marina
- Motores de arranque de coche
- Motores de arranque para camiones / volquetes / vehículos pesados
- Motores de arranque para motocicleta/scooter
- Motores de arranque para quads, motos de nieve y motos acuáticas
- Motores de arranque para tractores / maquinaria agrícola / equipos de construcción
-
-
-
-
-
Carburación
- Carburador
- Kit de juntas y piezas para carburador SOLEX
- Kit de juntas y piezas para carburador WEBER
- Kit de juntas y piezas para carburadores ZENITH / PIERBURG
- Kit de juntas y piezas para varios carburadores
- Membrana del carburador DELLORTO
- Membrana del carburador PIERBURG / SOLEX / ZENITH
- Membrana del carburador WEBER
-
-
-
-
Tipos de vehículos
-
- Marcas
- Alternadores
- Motores de arranque
- Climatizacion
Solenoide para motor de arranque Magnyi marelli 63114017 / 63222005
w235383
Solenoide para motor de arranque
| 63114012 | MAGNYI MARELLI |
| 63114017 | MAGNYI MARELLI |
| 63222005 | MAGNYI MARELLI |
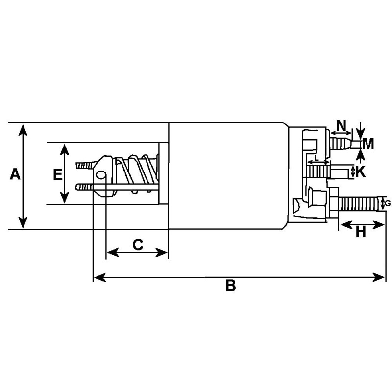
Características
Especificaciones físicas |
||
|---|---|---|
| A | DE mm | 54.00 |
| B | Longitud total mm | 125.90 |
Support |
||
|---|---|---|
| M | Perno de bobina | M8 |
| D | DE/capó mm | 52.30 |
| E | DI capó mm | 39.90 |
| G | B+ | M8 |
| H | Altura/B+ | 18.20 |
| K | Kl. 50/mm | M6 |
| T | Kl. 30h/mm | M5 |
| U | Ancho/kl. 30h | 9.55 |
| N | Perno de bobina l. | 9.55 |
| L | Ancho/kl. 50 | 9.15 |
| No. terminals | 4 | |
Especificaciones eléctricas |
||
|---|---|---|
| Voltaje | 12 | |
| Amp | 18/42 | |
Anterior
keyboard_arrow_left
Siguiente
keyboard_arrow_right
Los clientes que adquirieron este producto también compraron:
Anterior
Siguiente
Portaescobillas para motor de arranque MAGNETI MARELLI / LUCAS
6,90 €
Portaescobillas para motor de arranque MAGNETI MARELLI / LUCAS
Portaescobillas para motor de arranque Magnyi Marelli 63114017 / 63222005
13,90 €
Béndix para arranques
Béndix para arranque MAGNYI MARELLI 63114008 / 63114010
25,90 €
Cepillos para motor de arranque LUCAS / MAGNETI MARELLI
Juego de escobillas para motor de arranque Magnyi Marelli E95RL / 63114014 / 63222005
6,90 €
Rotores para motor de arranque DENSO / LUCAS
Armadura para motor de arranque Magnyi Marelli 63222001 / 63222005 / 63222030
39,90 €
16 otros productos en la misma categoría:
Anterior
Siguiente
Solenoides para motores de arranque MAGNETI MARELLI / FIAT
Relé / solénoide para motor de arranque 63102000/ 63111001 / 63191001
24,90 €
Solenoides para motores de arranque MAGNETI MARELLI / FIAT
Solenoide para motor de arranque Magnyi marelli 63217116 / MT68P / MT71H
49,90 €
Solenoides para motores de arranque MAGNETI MARELLI / FIAT
Contactoeurs / Solénoïdes para motor de arranque Magnyi Marelli 63224600 / 63224602 / 63224691
199,90 €
Solenoides para motores de arranque MAGNETI MARELLI / FIAT
Solenoide para motor de arranque Marelli 63201000 / 63201001 / 63201002
22,90 €
Solenoides de arranque
Contactoo fijo para solenoide de arranque Magnyi Marelli 63101002 / 63101008
1,90 €
Solenoides para motores de arranque LUCAS
Solenoide para motor de arranque 063216876010 / 063216884010 / 063217173010
58,90 €
Solenoides para motores de arranque LUCAS
Solenoide para motor de arranque Magnyi marelli 6322035 / 63222035 / 63292035
39,90 €
Solenoides para motores de arranque BOSCH
Solenoide para motor de arranque Bosch 0001400016 / 0001401011 / 0001401012
34,90 €
Solenoides para motores de arranque MAGNETI MARELLI / FIAT
Contactoeurs / Solénoïdes para motor de arranque Magnyi Marelli 63222400/63222430/63222700
49,90 €
Solenoides para motores de arranque MAGNETI MARELLI / FIAT
Solenoide para motor de arranque 63101000 / 63101002 / 63101008
39,90 €
Solenoides para motores de arranque MAGNETI MARELLI / FIAT
Solenoide para motor de arranque 063222135010 / 063222136010 / 063222138010
69,90 €
Solenoides para motores de arranque LUCAS
Solenoide para motor de arranque 063111007010 / 063113002010 / 063113003010
29,90 €
Solenoides de arranque
Solenoide para motor de arranque Magnyi marelli 4287971 / 63201005 / 63220108
22,90 €
Solenoides para motores de arranque MAGNETI MARELLI / FIAT
Contactoeurs / Solénoïdes para motor de arranque Magnyi Marelli 63222701/63222730/63222731
49,90 €
Solenoides para motores de arranque MAGNETI MARELLI / FIAT
Solenoide para motor de arranque Magnyi Marelli 63220700 / 63220701 / 63220703 / 63220721
34,90 €
Solenoides para motores de arranque MAGNETI MARELLI / FIAT
Solenoide para motor de arranque Magnyi Marelli 63101000 / 63101002 / 63101008
29,90 €
¿Tiene alguna pregunta?
Wagendass está comprometido con la durabilidad de tu vehículo
Pièces neuves et sans consigne, garantie 2 ans
Garantías de repuestos con Wagendass
- Piezas nuevas
- Sin instrucciones
- Garantía de 2 años para todo tipo de vehículos
¿Cómo encontrar su pieza de repuesto en el sitio web de Wagendass?
El número de referencia de su pieza defectuosa es esencial para determinar la pieza de repuesto correcta. De hecho, cada marca tiene su propia nomenclatura para autentificar sus repuestos.
La referencia puede ser numérica o alfanumérica y deberá ser encontrada por tu parte.
Una vez que haya encontrado la referencia, ingrésela en la barra de búsqueda ubicada en la parte superior de nuestro sitio, en el centro.
El resultado propuesto será la pieza de recambio adaptada a su referencia.
Piezas nuevas
Orígenes y adaptables
Sin depósito
Ni devolución del antiguo
Pagos seguros
Amex,CB,Visa,MasterCard en 3D Secure y PayPal
Entrega rápida
Francia e internacional