Payez en 4X sans frais pour les achats de 30€ à 2 000€.
Ref
Palabras clave
Para investigar...
-
Productos
-
-
-
Motores de arranque
- Motores de arranque de barco/marina
- Motores de arranque de coche
- Motores de arranque para camiones / volquetes / vehículos pesados
- Motores de arranque para motocicleta/scooter
- Motores de arranque para quads, motos de nieve y motos acuáticas
- Motores de arranque para tractores / maquinaria agrícola / equipos de construcción
-
-
-
-
-
Carburación
- Carburador
- Kit de juntas y piezas para carburador SOLEX
- Kit de juntas y piezas para carburador WEBER
- Kit de juntas y piezas para carburadores ZENITH / PIERBURG
- Kit de juntas y piezas para varios carburadores
- Membrana del carburador DELLORTO
- Membrana del carburador PIERBURG / SOLEX / ZENITH
- Membrana del carburador WEBER
-
-
-
-
Tipos de vehículos
-
- Marcas
- Alternadores
- Motores de arranque
- Climatizacion
Contactoeur / solénoïde para motor de arranque Bosch 0001218173
w139018
Relé / solenoïde / contacteur sustituye BOSCH 9330331012/ ZM zm-3773
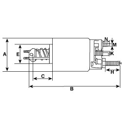
Características
Características :
Especificaciones físicas | ||
|---|---|---|
| A | DE mm | 56.30 |
| B | Longitud total mm | 146.00 |
Support | ||
|---|---|---|
| M | Perno de bobina | M8 |
| D | DE/capó mm | 50.00 |
| E | DI capó mm | 27.20 |
| G | B+ | M8 |
| H | Altura/B+ | 19.85 |
| K | Kl. 50/mm | 6.30 |
| N | Perno de bobina l. | 8.95 |
| L | Ancho/kl. 50 | 14.50 |
| No. terminals | 3 | |
sustituye | |
|---|---|
| 9330331012 | BOSCH |
| zm-3773 | ZM |
Anterior
keyboard_arrow_left
Siguiente
keyboard_arrow_right
16 otros productos en la misma categoría:
Anterior
Siguiente
Solenoides para motores de arranque BOSCH
34,90 €
Solenoides de arranque
Solenoide para motor de arranque Bosch 0001106001 / 0001106002 / 0001107003 / 0001107004
26,90 €
Solenoides para motores de arranque BOSCH
Solenoide para motor de arranque Bosch 0001208049 / 0001208055 / 0001208206
28,90 €
Solenoides para motores de arranque BOSCH
Solenoide para motor de arranque 0001208506 / 0001211536 / 0001218174
26,90 €
Solenoides para motores de arranque BOSCH
Solenoide para motor de arranque Bosch 0001400016 / 0001401011 / 0001401012
34,90 €
Solenoides de arranque
Tornillo de solenoide para motor de arranque Bosch 0001106011 / 0001106012 / 0001106014
0,49 €
Solenoides para motores de arranque BOSCH
Capot + contact para solenoide de démarreur Bosch 0001107009 / 0001107024 / 0001107033
9,90 €
Solenoides para motores de arranque BOSCH
Solenoide para motor de arranque Bosch 0001107528 / 0001120400 / 0001120401
23,90 €
Solenoides para motores de arranque BOSCH
Solenoide para motor de arranque 0001107030 / 0001107075
24,90 €
Solenoides para motores de arranque BOSCH
Solenoide para motor de arranque Bosch 0001358202 / 0001359094 / 0001362307
44,90 €
Solenoides para motores de arranque BOSCH
Solenoide para motor de arranque Bosch 0001223501 / 0001358048 / 0001358050
28,90 €
Solenoides de arranque
Solenoide BOSCH 2339303839 / 2339303306 / 2339303294 / 2339303202
46,90 €
Solenoides para motores de arranque BOSCH
Relé / contacteur para motor de arranque Bosch 0001107421 / 0001107422 / 0001108405 / 0001108406
26,90 €
Solenoides para motores de arranque BOSCH
Solenoide para motor de arranque Bosch 0001107031 / 0001107032
25,90 €
Solenoides para motores de arranque BOSCH
Solenoide para motor de arranque Bosch 0001368085
74,90 €
Solenoides para motores de arranque BOSCH
Solenoide para motor de arranque Bosch 0001218152 / 0001218812 / 0001218817
39,90 €
¿Tiene alguna pregunta?
Wagendass está comprometido con la durabilidad de tu vehículo
Pièces neuves et sans consigne, garantie 2 ans
Garantías de repuestos con Wagendass
- Piezas nuevas
- Sin instrucciones
- Garantía de 2 años para todo tipo de vehículos
¿Cómo encontrar su pieza de repuesto en el sitio web de Wagendass?
El número de referencia de su pieza defectuosa es esencial para determinar la pieza de repuesto correcta. De hecho, cada marca tiene su propia nomenclatura para autentificar sus repuestos.
La referencia puede ser numérica o alfanumérica y deberá ser encontrada por tu parte.
Una vez que haya encontrado la referencia, ingrésela en la barra de búsqueda ubicada en la parte superior de nuestro sitio, en el centro.
El resultado propuesto será la pieza de recambio adaptada a su referencia.
Piezas nuevas
Orígenes y adaptables
Sin depósito
Ni devolución del antiguo
Pagos seguros
Amex,CB,Visa,MasterCard en 3D Secure y PayPal
Entrega rápida
Francia e internacional